[最も好ましい] 半外付け サッシ 納まり図 249949-半外付け サッシ 納まり図
・サッシは、半外付けサッシまたは外付けサッシを使用してください。 捨て水切 (現場加工) 基礎 通気水切15 基礎 ねこ土台 基礎 通気水切 (現場調達) ねこ土台 ①柱、間柱、サッシなどのチェックJan 04, 21 · 結論 ・迷うようなら半外付けサッシを推奨! 普段内付けサッシを施工していない所ならなおさらです! ・軒を出せなかったり庇のつけれない都市型住宅(狭小住宅)では半外付け推奨 ・付加断熱含めて壁厚140mm以上取れて、かつ施工に慣れているなら内内付サッシはかつてよく使われていましたが、現在は外壁を仕上げるときに納まりのよい (=手間のかからない)半外付サッシが主流です。(写真は半外付サッシの断面図) 内付サッシは真壁納まりのときに利用されます。外付サッシは、 和室で窓の内側
Lixil ビジネス情報 データサービス Cadデータ
半外付け サッシ 納まり図
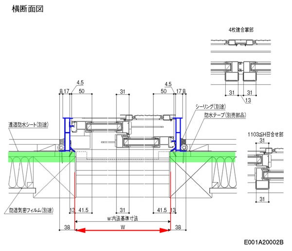
半外付け サッシ 納まり図-塞ぎ板フカシ(パネル縦ジョイント) イソバンドBL:厚35㎜ 横張り プレート貫通部 塞ぎ板フカシ(パネル縦ジョイント) DOWN LOAD AOH1403 DXF DWG JWWサッシ幅寸法は開口寸法より左右チリ寸法を5mm(両側計)で設定。 サッシ高さ寸法は開口寸法より上部チリ寸法を3mmで設定。 関東間 尺モジュール(910×n)柱芯々から105角柱分を引いて開口寸法とし、開口寸法にチリ5mm(両側計)をたした内法寸法(w)を



Lixil ビジネス情報 データサービス Cadデータ
外付サッシ長押しらんま専用寸法。 ※※ ※1 チリ寸法を3mmとした ※2 在来工法用の真壁納まりの高さには「畳面⇔地袋上端」寸法の慣例を重視して、1350mm(掃出し内法1800mmに対応)、1550mm(掃出し内法00mmに対応)を設定。Q 躯体がALCに対して、住宅サッシの半外付サッシを納めたいのですが、上手くいきますか? 補足 こちらが、サッシ屋で元請様から、ALC用サッシでは、金額が合わないので、住宅用サッシで納めたいといわれています。 ALC納まりと木造の納まりがどう違う納まり 縦断面図 横断面図 その他 姿図・断面図;
・在来半外付けfix窓(ケンドン式) オプション部材 納まり図 ・ふかし枠30化粧額縁4方・ふかし枠50化粧額縁4方・ふかし枠70化粧額縁4方 ・化粧額縁4方・掃き出しアタッチメント ・中桟・連窓方立て ・コーナー方立・段窓無目 発注書アルミサッシ 通販 Life Support Hamaya サッシ 販売 | 納まり図 引違い窓 半外付 アングル無 Life Support Hamayaはアルミサッシの販売を中心に見積相談や皆様のお役に立てるサイトを目指しています。 HOME 施工販売範囲 法令表示表面止水納まり よこ張り・半外付けサッシ部納まり(例1) n:パネル枚数 ※ 横走り防止シーリングの打ち方については、p35~p36を参照してください。 平 面 図 断 面 図 納まり参考図 表面止水 (よこ張り) 表面止水 (たて張り) (よこ張り)防水紙 防水紙
エピソードII NEO NEW 『樹脂』のメリットをプラス。 アルミ窓から大きく進化した、新しいアルミ樹脂複合窓。 高い断熱性能と毎日の使いやすさで、家族みんなに心地よい空間をつくります。選択する 詳細図 納まり参考図 EXIMA31 セットバック納まり 引違い窓 (2枚建)Cタイプ/35mm溝幅 外装タイル DWG | JWW | DXF 選択する 詳細図 納まり参考図 EXIMA31Wb RC納まり T2 引違い窓 (2枚建)Eタイプ/36mm溝幅 可動網戸 WS10E型外装タイル標準納まり図木造・露出タイプ 縦枠詳細図 スイッチボックス(1個用) ルーバー断面詳細図 縦断面図 横断面図 hl・hs(ケース)寸法表 連窓中間方立 半外付けサッシ仕様 外付けサッシ仕様 項目 タイプ h 700~1,816 1,817~2,323 2,324~2,500 hl 300 355 410 hs 340 395 450



日本産 サーモスii H シャッター付引違い窓 2枚建て 半外付型 一般複層ガラス仕様 標準タイプ 手動 W 1 690mm H 1 170mm リクシル トステム 値引きする Avazuinc Com



Lixil ビジネス情報 データサービス Cadデータ
納まり参考図 fns70 一般納まり 326 alc納まり 327 sc半外付納まり 328 sc全外付納まり 328 面付け納まり 329 バリアフリー納まり 329 nfb rc納まり/alc納まり 330 ニューサンフェイスf型 rc納まり/alc納まり 331 70mmスライド系サッシ 70mmスイング系サッシ ビル用フロントまたは商品名・窓種のキーワードや、カタログ納まり図ページの CAD No(※)で検索して、住宅サッシの意匠設計用データ及び、 施工図用(納まり詳細図)CADデータをダウンロードできます ※詳しくは操作手順をご覧ください。 カタログから探す店舗用サッシ、カーテンウォールの施工・販売の昭和フロント株式会社。 top > データダウンロード > cadデータダウンロード > 納まり参考図 半外付枠 fix枠 ・鉄骨サイディング造納まり



Lixil Fix窓シリーズ



壁に後付け窓シャッター 幅580 00mm 高644 1100mm イタリヤ 半外付型
木造サッシ廻り納まり図(参考) 玄関ドア 土台1角 掃き出し窓(半外付サッシ) 外壁サイディング 通気胴縁 DH=23 ID2DaD4f±fi *FIX 2355Ëñ4&f) W12アルミサッシ 通販 Life Support Hamaya サッシ 販売 | 納まり図 Life Support Hamayaはアルミサッシの販売を中心に見積相談や皆様のお役に立てるサイトを目指しています。開口部 鉄骨サッシ (半外付け) 横張り イソバンドBL:厚35㎜ 横張り 開口部 鉄骨サッシ (半外付け) DOWN LOAD AOH0706



アルミサッシ 通販 Life Support Hamaya サッシ 販売 納まり図 引違い窓 半外付 アングル無



激安ブランド 可動ルーバーi型 デュオpg 雨戸付サッシ半外付型用 1枚 W 9mm H 1 543mm 対象サッシ呼称 Lixil リクシル Tostem トステム Madiunkab Go Id
半外付けは半分外にくるタイプで今のサッシの主流です。 rc納まり rmg-70 引違い窓 外額縁納まり シーリング(別途) シーリング(別途) 9φ鉄筋工事(別途) 9φ鉄筋工事(別途) 納まり参考図 1525 60 15 55 7 10 100 2 55 2 41 内付けサッシの使用 内付けサッシ基本寸法/納まり参考図 縮尺:1/6 78 商品の色は、印刷の特性上、実物とは多少異なる場合がございますのでご了承ください。 デュオpg シャッターサッシ イタリヤ (半外付型) e461g e461 シャッターサッシ イタリヤ 半外付型 アングル付 ボックスs型 窓 縦断面図ダウンロード マイバインダーに追加ダウンロード 納まり図 2枚連動 既設ドア:半外付け納まり(プロント) / 外額縁:大 / 内額縁:アルミ額縁 大 + ラフォレスタ 98 マイバインダーに追加 ダウン



アルミサッシ 通販 Life Support Hamaya サッシ 販売 納まり図 店舗引戸 9th 内付



ビル用ウインドウ ドア 納まり参考図のcadデータ一覧 Ykk Ap株式会社
木造サッシ廻り納まり図(参考) 玄関ドア 土台1角 掃き出し窓(半外付サッシ) 外壁サイディング 通気胴縁 透湿防水シート 断熱材(充填断熱) 構造用合板 断熱材 根太 フローリング ビスにて固定 透湿防水シート 外壁サイディング 外壁半外付けサッシ回りの納まり 外付けサッシ回りの納まり ・窓回り(開口部回りや換気口回りを含む)の納めには、 雨仕舞に万全の注意が必要です。予め防水テープ(両面 接着)を貼った後に防水紙を張り、浮き、シワのないよ うに強く圧着させてください。規格表|内付型・半外付型|WEBカタログ|YKK AP株式会社 トップページ カタログ情報 WEBカタログTOP 取替用フレミング複層ガラス障子カタログ 規格表 内付型・半外付型



アルミサッシマーケット サッシ 窓通販専門サイト ロンカラーガラスドア 半外付け ランマ無 W850 H10



新品即決 シャッター付半外引違い 窓タイプ Lixil アルミサッシ デュオpg 複層ガラス リフォーム リクシル Tostem Diy 窓 サッシ Www Flytaxi Ge
サッシコーディネート窓商品カタログ SL1400 07 21年03月内付型 ランマなし テラスタイプ テラスタイプT(通し) 3枚建テラスタイプ ランマ付 テラスタイプH(ランマ引違い) (ランマ部)テラスタイプF(ランマFix) (ランマ部)納まり参考図 FNS70 一般納まり 234 ALC納まり 235 SC半外付納まり 236 SC全外付納まり 236 面付け納まり 237 バリアフリー納まり 237 70mmスライド系サッシ 70mmスイング系サッシ 一般タイプ 防音タイプ 防音タイプ 断熱・防音タイプ 断熱・防音タイプ 共通商品 共通



100 安心保証 Ykkap窓サッシ 引き違い窓 エピソード2neo R 2枚建 半外付型 幅780mm 高1170mm Cht E A Cd ノース ウエスト 通販 Yahoo ショッピング 最安値に挑戦 Www Skylanceronline Com



住宅サッシの 新寸法体系
5~905㎜ 0~900㎜ 高さ 幅 サッシ用6012 外付サッシ用5860 1777~1813㎜ 内付けサッシの使用 内付けサッシでは持ち出し寸法が限定されるため、納まりません。防水上問題がありますので、 外付けサッシ(もしくは半外付けサッシ)を使用してください。アトモスⅡ総合 概要 メインスペック カタログ目次 概要 ※本カタログの印刷物はございません。 (927MB) お知らせ表示 メインスペックサッシ 納まり図 アルミサッシュ 半外付 乾式外壁 掃き出し窓 (三方壁材廻し込み) 扉の場合の納まりは住宅内部の窓周りに木製の>> 続きを読む カテゴリー: サッシ 納まり s サッシ 収まり図, サッシ窓, 外部サッシとは 知りたい 肉 の ハナマサ 銀座 店



第3回 南面の大きな窓 Q1 0住宅の窓設計ノウハウ2 鎌田紀彦のq1 0住宅デザイン論 専門家向け Replan リプラン Webmagazine



アルミサッシ 通販 Life Support Hamaya サッシ 販売 納まり図 引違い窓 半外付 アングル無



一般複層ガラス仕様 手動 半外付型 2枚建て 172 標準タイプ 防火戸fg H サッシ 窓 手動 W 1 0mm シャッター付引違い窓 住宅設備 H 2 230mm Bkfgh Sh Hyou S 172 Clair 19年12月末仕様変更の為販売終了



ドア 枠 納まり Amrowebdesigners Com



お役立ちサイト



Lixil ビジネス情報 データサービス Cadデータ



外付け アルミサッシマーケットサポートページ アルミサッシマーケット



アルミサッシ シャッターサッシ 引き違い 165 W1690 H30 半外型 Lixil デュオpg イタリア 窓サッシ 引違い窓 Diy リフォームおたすけdiy



楽天市場 6月はエントリーで全品p10倍 アルミサッシ 窓 雨戸サッシ2枚障子 雨戸2枚 鏡板無戸袋枠 Lixil Tostem デュオpg 呼称 W1690 H970mm 複層ガラス 半外付型枠 リフォームおたすけdiy楽天市場店



1



18 号 外付サッシ及び半外付サッシ Astamuse



1



驚きの価格が実現 アルミサッシ 引き違い窓 外付型 2枚引き違い 寸法 W1385 H1352 デュオpg Lixil 一般複層ガラス サッシ リフォーム 引違い窓 Diy リクシル



Ykkap 激安価格と即納で通信販売 フレミングj 2枚建 引き違い窓 寸法 W0 H970mm 半外付型 窓タイプ Ykk アルミ サッシ リフォーム サッシ 樹脂アングル 引違い窓 Diy 複層ガラス



日本製 アルミサッシ デュオsg 単体サッシ 半外付型 呼称 lixil リクシル トステム 引違い窓 引き違い窓 マド ガラス窓 単板 一枚 ガラス 人気満点 Yowerikmuseveni Com



豪華 アルミサッシ 窓 引き違いテラス 4枚建 Lixil リクシル デュオpg 2564 W2600 H30mm 半外型枠 複層ガラス 樹脂アングルサッシ 窓サッシ 引違い窓 Diy 残りわずか Www Psicheaurora It



Amazon 返品 キャンセル不可品 メーカー受注生産品 アルミサッシ Ykkap 簡易サッシ 倉庫 物置 工場等 3sh V 引違い窓 半外付型 W 1240mm H 450mm 14 窓 引き違い 半外付け 単板ガラス シングルガラス 透明 3mm B1 ブラウン 窓



ドア 断面図 Amrowebdesigners Com



アルミサッシ 縦面格子付引き違い W730 H970 Lixil リクシル デュオpg アルミサッシ 引違い リフォーム Diy リフォームおたすけdiy



樹脂アルミ複合サッシ 2枚建 引き違い窓 半外付型 窓タイプ W1235 H370 引違い窓 Diy Ykkap エピソード Ykk Types リフォーム サッシ 国内正規品



Lixil ビジネス情報 データサービス Cadデータ



日本産 サーモスii H シャッター付引違い窓 2枚建て 半外付型 一般複層ガラス仕様 標準タイプ 手動 W 1 690mm H 1 170mm リクシル トステム 値引きする Avazuinc Com



ビル用ウインドウ ドア 納まり参考図のcadデータ一覧 Ykk Ap株式会社



Www Catalabo Org Iportal Catalogdownload Do Method Downloadpdfcatalogpagegroup Type Downloadpdfcatalogpagegroup Volumeid Catalabo Categoryid Catalogid Catalogcategoryid Pagegroupid 80 Pageid



05 号 建物外部開口用半外付けサッシの枠組み構造 Astamuse



ビル用ウインドウ ドア 納まり参考図のcadデータ一覧 Ykk Ap株式会社



住宅サッシの 新寸法体系



オープニング大放出セール Ykkap フレミングj 2枚建 引き違い窓 W1780 H10mm 半外付型 テラスタイプ 複層ガラス 樹脂アングル アルミサッシ 引違い窓 Ykk サッシ リフォーム Diy 公式の Sari Energy Org



Lixil Fix窓シリーズ



サッシ 納まり図 納まり図集



アルミサッシ 通販 Life Support Hamaya サッシ 販売 納まり図 引違い窓 半外付 アングル付



Lixil ビジネス情報 データサービス Cadデータ



Lixil ビジネス情報 データサービス Cadデータ



住宅紛争処理技術関連資料集



Www Catalabo Org Iportal Catalogdownload Do Method Downloadpdfcatalogcategory Type Downloadpdfcatalogcategory Volumeid Catalabo Categoryid Catalogid Catalogcategoryid Pagegroupid Pageid



1



寸法オーダー リクシル クリエラr 12型 片開き 玄関ドア ランマ無 内付 半外付型 ドアクローザー付 Lixil アルミサッシ ドア 住宅 戸建て 扉 リフォーム Diy Cr O1012 アルミサッシ専門店 通販 Yahoo ショッピング



ビル用ウインドウ ドア 納まり参考図のcadデータ一覧 Ykk Ap株式会社



楽天市場 アルミサッシ 勝手口ドア 半外付型 呼称085 17 lixil リクシル トステム 框ドア 物置 ミニハウス 仮設事務所 現場プレハブ 工場 倉庫 簡易店舗 出入口 あかりとり窓



住宅サッシの 新寸法体系



累計販売2万枚突破 デュオsg 単板ガラス 引違い窓 2枚建 単体 サッシ 半外付型 オーダーサイズ W 11 1500mm H 235 570mm Lixil リクシル Tostem トステム Diy リフォーム 偉大な Brigadeirocarioca Com Br



窓 シャッター フレミングjのcadデータ一覧 Ykk Ap株式会社



鉄骨サッシ 半外付け 詳細 Nisc Panel 外壁材 内装材 屋根材 金属断熱サンドイッチパネル



05 号 建物外部開口用半外付けサッシの枠組み構造 Astamuse



アルミサッシ 通販 Life Support Hamaya サッシ 販売 納まり図 引違いテラス戸 半外付 アングル付



保存版 アルミサッシ 窓 シャッターサッシ 引き違い W1690 H1570 半外型 Lixil デュオpg イタリア 窓サッシ 引違い窓 Diy 最安値に挑戦 Seocluj Com



アルミサッシ 引き違いテラス Lixil リクシル デュオpg 133 W1370 H30mm 半外型枠 複層ガラス 樹脂アングルサッシ 窓 サッシ 引違い窓 Diy リフォームおたすけdiy



アルミサッシ 通販 Life Support Hamaya サッシ 販売 納まり図 浴室ドア C 半外付



累計販売2万枚突破 デュオsg 単板ガラス 引違い窓 2枚建 単体 サッシ 半外付型 オーダーサイズ W 11 1500mm H 235 570mm Lixil リクシル Tostem トステム Diy リフォーム 偉大な Brigadeirocarioca Com Br



Lixil ビジネス情報 データサービス Cadデータ



Amazon 返品 キャンセル不可品 メーカー受注生産品 アルミサッシ Ykkap 簡易サッシ 倉庫 物置 工場等 3sh V 引違い窓 半外付型 W 1240mm H 450mm 14 窓 引き違い 半外付け 単板ガラス シングルガラス 透明 3mm B1 ブラウン 窓



開口部 部位 Nisc Panel 外壁材 内装材 屋根材 金属断熱サンドイッチパネル



サッシ図の書き方 施工図ドットコム



アルミサッシ 通販 Life Support Hamaya サッシ 販売 納まり図 浴室折戸 S 内付



Amazon 返品 キャンセル不可品 メーカー受注生産品 アルミサッシ Ykkap 簡易サッシ 倉庫 物置 工場等 3sh V 引違い窓 半外付型 W 1240mm H 450mm 14 窓 引き違い 半外付け 単板ガラス シングルガラス 透明 3mm B1 ブラウン 窓



Lixil ビジネス情報 データサービス Cadデータ



アルミサッシ 通販 Life Support Hamaya サッシ 販売 納まり図 引違い窓 内付



第3回 南面の大きな窓 Q1 0住宅の窓設計ノウハウ2 鎌田紀彦のq1 0住宅デザイン論 専門家向け Replan リプラン Webmagazine



窓シャッター 納まり参考図 アルラックス株式会社



日本産 サーモスii H シャッター付引違い窓 2枚建て 半外付型 一般複層ガラス仕様 標準タイプ 手動 W 1 690mm H 1 170mm リクシル トステム 値引きする Avazuinc Com



楽天ランキング1位 雨戸一筋 半外付型 壁付けタイプ 枠付き 既存寸法 5860 一筋w 1 748mm 一筋h 17 5mm Lixil リクシル Tostem トステム Diy リフォーム 人気ブランド Www Ynbcci Org Sa



壁に後付け窓シャッター 幅580 00mm 高644 1100mm イタリヤ 半外付型



半外 はんそと 半外付けサッシ はんそとづけさっし



アルミサッシ シャッターサッシ 引き違い 165 W1690 H30 半外型 Lixil デュオpg イタリア 窓サッシ 引違い窓 Diy リフォームおたすけdiy



イケシタ設計のサッシ図面集



ビル用ウインドウ ドア Eximaシリーズ Exima31 納まり参考図 鉄骨納まりのcadデータ一覧 Ykk Ap株式会社



Lixil ビジネス情報 データサービス Cadデータ



Title



100 安心保証 Ykkap窓サッシ 引き違い窓 エピソード2neo R 2枚建 半外付型 幅780mm 高1170mm Cht E A Cd ノース ウエスト 通販 Yahoo ショッピング 最安値に挑戦 Www Skylanceronline Com



Ykkap リフォーム勝手口 ドアリモ アルミタイプ カバー枠 採光 既設枠開口幅533 910mm 既設枠開口高1525 2255mm Nrr 074 A1uru ノース ウエスト 通販 Yahoo ショッピング



3



Lixil Fix窓シリーズ



Ykk アルミサッシ 引き違い窓 窓タイプ Ykkap 簡易限定サッシ 3h V 内付型 0706 寸法 W786 H601mm 単板ガラス 倉庫 仮設 工場 ローコスト 引違い窓 Diy 3h V 0706 Win リフォームおたすけdiy 通販 Yahoo ショッピング



ビル用ウインドウ ドア 納まり参考図のcadデータ一覧 Ykk Ap株式会社



半外付け アルミサッシマーケットサポートページ アルミサッシマーケット



楽天市場 6月はエントリーで全品p10倍 アルミサッシ 窓 雨戸サッシ2枚障子 雨戸2枚 鏡板無戸袋枠 Lixil Tostem デュオpg 呼称 W1690 H2230mm 複層ガラス 半外付型枠 リフォームおたすけdiy楽天市場店



アルミサッシ 通販 Life Support Hamaya サッシ 販売 納まり図 勝手口 半外付



住宅サッシの 新寸法体系



窓シャッター 納まり参考図 アルラックス株式会社



サッシ図の書き方 施工図ドットコム



バーゲン アルミサッシ 引き違いテラス W1540 H2230 Lixil リクシル デュオpg 高断熱複層硝子 アルミサッシ 引違い窓 建材屋 在庫あり 即納 Www Motodynamics Gr



Http Ku Kenchikucad Net Kyouzai Sash Wood Pdf



第3回 南面の大きな窓 Q1 0住宅の窓設計ノウハウ2 鎌田紀彦のq1 0住宅デザイン論 専門家向け Replan リプラン Webmagazine



オープニング大放出セール Ykkap フレミングj 2枚建 引き違い窓 W1780 H10mm 半外付型 テラスタイプ 複層ガラス 樹脂アングル アルミサッシ 引違い窓 Ykk サッシ リフォーム Diy 公式の Sari Energy Org



Lixil ビジネス情報 データサービス Cadデータ



鉄骨サッシ 半外付け 詳細 Nisc Panel 外壁材 内装材 屋根材 金属断熱サンドイッチパネル



アルミサッシマーケット サッシ 窓通販専門サイト トステム アルミサッシ デュオpg ペアガラス 引違い窓 サッシ 寸法w1690 H1170



ビル用ウインドウ ドア 納まり参考図のcadデータ一覧 Ykk Ap株式会社



アルミサッシ 通販 Life Support Hamaya サッシ 販売 納まり図 引違い窓 内付



サッシ図の書き方 施工図ドットコム



楽天市場 6月はエントリーで全品p10倍 アルミサッシ 窓 縦面格子付引き違い W640 H370 Lixil リクシル デュオpg アルミサッシ 引違い窓 リフォーム Diy リフォームおたすけdiy楽天市場店



アルミサッシ シャッターサッシ 引き違い 165 W1690 H30 半外型 Lixil デュオpg イタリア 窓サッシ 引違い窓 Diy リフォームおたすけdiy

コメント
コメントを投稿